Edit page title Teledyne LeCroy - 串行数据 - VectorLinQ VSA 包
Edit meta description Teledyne LeCroy 是示波器、协议分析仪和相关测试和测量解决方案的领先供应商,使各行各业的公司能够设计和测试所有类型的电子设备。

Close edit interface
Oscilloscope
Certification
Contact Us
  • Buy
    Buy
  • Sign in to your
    Teledyne Lecroy account

    Sign In
    "> ">
    ">
  • Protocol Analyzers & Accessories
  • Contact Us
  • ">
    ">

    登录到您的
    Teledyne Lecroy 帐户

    登录
    产品
    软件选项

    VectorLinQ VSA 软件包

    VectorLinQ 和 VectorLinQ 高级矢量信号分析 (VSA) 选项为 RF 和 IQ 调制信号的解调和分析提供了广泛的工具集。 这些工具提供了对高级信号类型的深入洞察,具有最大的测量灵活性和复杂的信号可视化。 直观的用户界面易于设置,并允许用户自定义以满足最复杂信号的需求。

    探索 VectorLinQ 向下箭头
    产品标题图片
    • 产品线选项卡
    • 概览选项卡
    • 兼容性选项卡
    主要功能
    • 全面的信号解调和矢量信号分析
    • 支持射频调制或直接 I-Q 输入
    • PSK、QAM、Circular QAM、ASK 和自定义输入信号类型
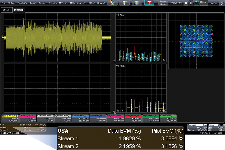
    • 使用 VectorLinQ Advanced 进行 OFDM 可视化和分析
    • 多达 8 个数据流
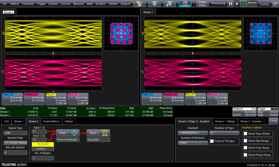
    • 带有轨迹、符号和参考符号视图的 IQ 星座图
    • I、Q EVM、相位、幅度和功率眼图
    • I、Q 和总频谱的频谱视图
    • 一套全面的测量参数可以表征调制质量
    • 内置信号处理模块,包括滤波器、混频器、相位估计器和均衡器
    • 在信号链的任何位置插入自定义 MATLAB 处理模块
    • 灵活的用户界面,提供最大的洞察力和可视化


    极致的灵活性

    VectorLinQ 将您的 Teledyne LeCroy 示波器转变为最灵活的可用矢量信号分析平台。 通过示波器通道采集多达八个输入——PSK、QAM、Circular QAM 和 ASK 信号类型均受支持,以及用户定义的符号配置和 OFDM 格式。 VectorLinQ 通过独特、直观的模型运行,通过用户定义的处理块链传递信号,使最复杂的分析变得简单。 标准处理块包括混频器、滤波器、相位估计器和均衡器——以及在处理链中的任何点插入自定义 MATLAB 处理块的能力。

    先进的可视化和测量

    VectorLinQ VSA 提供了多种分析和查看解调波形的方法。 IQ 星座图有助于识别信号质量问题,例如幅度不平衡、正交误差和相位噪声。 I 和 Q 分量、幅度、功率、相位和 EVM 可被视为时域中的“迹线”,与示波器中的其他波形完全相关。 任何迹线也可以视为眼图,从而更深入地了解解调波形的信号质量。 总信号的频谱视图,以及单独的 I 和 Q 分量,也作为标准提供。 对于 OFDM 信号,EVM 可以按子载波和符号显示。

    完整的加工灵活性

    自定义 MATLAB 块可以插入处理链中的任何点,结果直接返回到 VectorLinQ 以传递到下一个处理块、可视化和测量。 示例 MATLAB 代码直接包含在 VectorLinQ 应用程序中。

    VectorLinQ 还允许通过一组用户定义的符号位置分析完全自定义的调制类型。

    使用 VectorLinQ Advanced 进行 OFDM 分析

    对于领先的通信研发,VectorLinQ Advanced 提供全面的 OFDM 分析和可视化功能。 按副载波和符号绘制导频 EVM、数据 ​​EVM 和平均 EVM。 测量数据和导频信号的 EVM % 值和幅度误差。 802.11a 协议支持包括标准,以及用于为其他标准和自定义协议创建配置文件的示例元数据。 VectorLinQ Advanced 可用于 WaveMaster 8zi-B和 LabMaster 示波器系列。

    无缝集成

    VectorLinQ VSA 不是“控制”示波器的独立应用程序——它与 Teledyne LeCroy 的 MAUI——可用的最先进的示波器用户界面——无缝集成。 来自 VectorLinQ 的信号和参数可用于 MAUI 中的其他地方,以实现简单而完整的控制和分析。

     

    HDO6000B 高精度示波器


      了解更多
    WaveRunner 8000HD 8 通道高精度示波器

    WaveRunner 8000HD


      了解更多
    MDA 8000HD 电机驱动分析仪

    MDA 8000HD 电机驱动分析仪


      了解更多
    WavePro HD 示波器

    WavePro HD 示波器
      了解更多
    WaveMaster / SDA / DDA 8 Zi-B 示波器


      了解更多
    WaveMaster 8000HD


      了解更多
    LabMaster 10 Zi-A 示波器


      了解更多