Introduction

Probing high-voltage (HV) circuits presents unique challenges due to the potential for injury or equipment damage, as well as the demands of the materials used in HV semiconductors. HV floating measurements are extremely dangerous and difficult to make. Conventional passive probes are not the answer, but isolated and high-voltage differential probes are options. Yet, with many possible choices in these categories, how can you decide which is actually the best HV oscilloscope probe foryourapplication?

We will show how to choose the right HV probe for your application by presenting a real-world example of selecting a probe for conducting switching loss tests on a full-bridge GaN semiconductor circuit. In course, we'll demonstrate a new tool, the High-voltage Probe Selection Guide, available on the Teledyne LeCroy website at: teledynelecroy.com/powerprobes

The Three, Most Basic Questions

When you go to the High-voltage Probe Selection Guide, you will be asked three, basic questions that determine the rightness or wrongness of any probe for a given application.

What Is the DC Bus Voltage?

The DC bus voltage will determine the maximum voltage rating required for the probe to be used in the measurement. For AC line signals, this is the peak-to-peak voltage of the AC line. In a switched mode power device, the bus voltage is most often either the full wave rectified peak voltage AC line or the amplitude of the pulse width modulated (PWM) signals from the driver/inverter circuits.

What Is the Semiconductor Device Material?

Silicon (Si), Silicon Carbide (SiC) and Gallium Nitride (GaN) are all popular materials for semiconductor devices, each with its unique requirement on rise times for the switching signals:

  • Si devices typically cannot handle rise times faster 10 ns
  • Rise times on SiC devices are 3 to 5 ns or slower
  • Rise times on GaN devices are on the order of 1 to 3 ns

The larger the voltage swing, the slower the rise times get to help keep EMI in check.

To measure fast rise times, as well as some harmonics, the probe needs to have sufficient bandwidth. For example, to measure gate drive signals on a GaN device, the probe bandwidth required might be closer to 1 GHz, whereas to measure output signals on the same GaN device, the bandwidth required could be 700 MHz or even as low as 350 MHz.

What Are the Applications?

The High-voltage Probe Selection Guide asks you the intended measurement application, offering a choice of power semiconductor test, floating sensor or system inputs /outputs measurements. This high-level categorization determines the relative importance of many possible probe specifications, including the voltage range, bandwidth, attenuation, and isolation.

Power semiconductor testing refers to measurements made on individual devices. This includes capturing MOSFET/IGBT gate drive and output signals, then analyzing them. Analysis includes dead time verification and switching loss measurements. Depending on which semiconductor device is being tested, ideal probe features could include wide voltage range, offset capability, very good CMRR, and higher bandwidth.

Floating sensor measurements include probing series or shunt resistors, current or temperature sensors, or discrete components. This type of application usually determines the isolation requirements of the probe, as the signals involved are generally small with large voltage offsets.

System input/output measurements include the line-side AC voltage, DC/DC converter high- or low-voltage inputs or outputs, DC bus or link, and inverter drive PWM outputs. Wide voltage range and common mode are typical features associated with probes for this application.

Using the High-voltage Probe Selection Guide

Teledyne LeCroy offers this easy way to help you select a high-voltage probe based on your specific application. Open the High-voltage Probe Selection Guide, answer the three basic questions and you will get a recommendation for a high-voltage probe, with notes on our reasoning behind the choice.

selection guide screenshot

The selection guide rates the appropriateness of each probe using a simple, color-coded scheme:

  • Black:The probe shouldabsolutely not be usedfor this application, as damage to the probe, oscilloscope or device under test (DUT) may occur, or harm may come to the operator.
  • Red:The probe may be safe to use for this application, but it will probably not provide a good measurement result.
  • Yellow:There are some compromises in performance of the probe in this application, though some users may find the probe works fine for them.
  • Green:This is the perfect probe. There are few issues with its use, and it has been optimized in price and performance for the application. Sometimes, it may be the only safe choice.

Let's walk through how to use the High-voltage Probe Selection Guide to select appropriate options for testing a power semiconductor using a 260 V DC bus.

A Real-world Example of Choosing the Right HV Probe

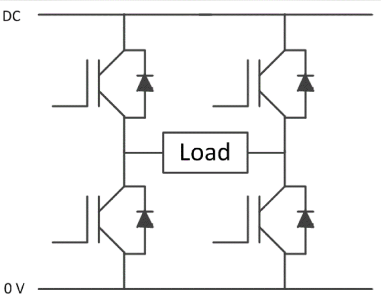
The circuit to be tested is a full-bridge topology using four, wide-bandgap (GaN in this case) metal oxide semiconductor field effect transistors (MOSFETs). The desired measurement is to determine the switching losses of the MOSFETs. There are two lower side MOSFETs and two upper side MOSFETs, as shown in the following figure.

Topology of a full-bridge wide-bandgap (GaN) transistor.

Based on the information above, the:

  • DC Bus Voltage selection is 170 – 1000 Vdc
  • Semiconductor Device Material selection is Wide-bandgap (SiC or GaN)
  • Application selection is Power Semiconductor Testing.

This information has been entered into the High-voltage Probe Selection Guide (Figure 3):

Selections for testing on a 260 Vdc bus wide-bandgap (GaN) transistor.

Considering the Application's Demands on Probe Specifications

The results appear in a matrix showing the range of application sub-categories considered and the HV probes considered for each application. In this example, the High-voltage Probe Selection Guide has selected the DL-ISO Series High-Voltage Optically Isolated Probes as the best probing option (green) for the gate drive and switching loss measurements. The DL-ISO is a new probe specifically designed for measuring small signals floating on a high-voltage DC bus. It features optical isolation similar to the Tektronix® IsoVu™. The HVD Series High-Voltage Differential Probes are high-quality, high-voltage differential probes of a more conventional design, and the selection guide has indicated that this probe ispossiblyuseable (yellow). Notes accompanying each selection provide brief reasons for the result, with more information behind the button labelled with the letter "i".

Why are power semiconductor device measurements challenging, and why this choice?

  • It is relatively easy to measure the lower side MOSFETs because they are referenced to ground. Single-ended passive probes can be used but are not recommended because it is easy to carelessly probe a high-voltage (HV) portion of the circuit and damage the probe, oscilloscope or the device under test, or cause harm to the operator.
  • It is harder to measure the upper side MOSFETs because they are referenced to a voltage that is non-zero. This is called a floating measurement. This precludes use of the ground-referenced single-ended probes, as they would short circuit the DUT. This measurement requires a high-voltage differential or single-ended isolated probe.
  • The upper side MOSFET measurements benefit from the high CMMR of an optically isolated probe, like the DL-ISO, to help resist switching interference from the lower side devices.
  • When measuring wide-bandgap devices, such as GaN and SiC, high bandwidth may also be desired to accommodate the faster rise times supported by these devices.

Measuring both upper and lower MOSFETs gives complete insight into the design's behavior. In addition to evaluating the switching losses, designers will evaluate the timing to learn if there is any possibility of both upper and lower devices being turned on at the same time, which would cause a short circuit (shoot through). So, it's essential to have a probe that can perform adequately for the upper side measurements.

The single-ended passive probe is a poor choice (black) for floating measurements in the upper MOSFETs. It also poses a safety hazard when used in a floating circuit environment, that's why it has a black classification.

The HVD probe is a better option than a passive probe, but it may cause circuit loading due to its input capacitance. It may also have insufficient bandwidth for the faster wide-bandgap devices, especially the GaN devices used in the example. There are compromises in using this type of probe, but some users may find that the probe works fine for their particular measurement needs.

One reason the DL-ISO is the best option is the probe's CMRR. The DL-ISO series has a CMRR of 160 dB at DC, and significantly higher CMRR than the other probes at higher frequencies. The HVD probe has a CMRR of 85 dB at DC and 65 dB at 1 MHz. While the HVD Series probe has excellent CMRR for a conventional HV differential probe and may perform acceptably well depending on the device and the circuit, the CMRR is not as good as DL-ISO, and it has much less than 1 GHz bandwidth.

Finally, the DL-ISO Series offers up to 1 GHz bandwidth to match the requirements of GaN devices. The HVD Series probes have a bandwidth of up to 400 MHz, corresponding more closely to the bandwidth requirements of SiC or Silicon (Si) power semiconductor devices.

The best choice for this type of power device measurement is the single-ended, fiber optically isolated probe. Its single-ended configuration minimizes loading, which offers the benefit of better signal fidelity. The probe isolation circuitry is less susceptible to picking up transients. It has better CMRR at high frequencies, which is important for circuits using wide-bandgap semiconductors such as the GaN MOSFETs in this example. This, combined with the probe's isolation circuitry, results in more accurate upper side measurements.

Real-world Capture Comparison

To prove the point, let's compare Vds (MOSFET Drain-Source) signals captured using a DL-ISO probe and an HVD probe. The DL-ISO probe (magenta trace in the following figure) is connected to the gate of one of the upper side MOSFETs. The HVD probe (blue trace) is connected to the gate of the other upper side MOSFET. This allows simultaneous observation without the probes affecting each other by loading the circuit, which would happen if they were connected to the same measurement point.

Waveforms of a wide-bandgap (GaN) transistor captured using two, different probe topologies.

Note that the HVD probe exhibits a small overshoot on the edge transitions. This overshoot is most probably due to the lower CMRR of the HVD probe compared to the DL-ISO. There is no discernible overshoot visible in the signal from the DL-ISO probe. The optical coupling of the DL-ISO probe provides the best CMRR performance, which helps to suppress electrical transients coming from elsewhere in the circuit.

There are many considerations to selecting the best high-voltage probe. The High-voltage Probe Selection Guide on the Teledyne LeCroy website is the starting point for choosing the best high-voltage probe for your application. Based on your needs, it provides usefully documented recommendations for any of the Teledyne LeCroy high-voltage probe offerings.

To try the High-voltage Probe Selection Guide, visit: teledynelecroy.com/powerprobes